Conectar Motor Estrella Triangulo
Conexión Estrella Triángulo De Motores Trifásicos Jose
Conexion Estrella Y Triangulo Motor Trifásico Motor
Conexión Estrella Triángulo Wikipedia La Enciclopedia Libre
Arranque Estrella Triangulo Varios Circuitos Motores Trifásicos
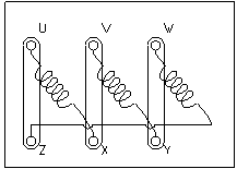
Fileesquema Coneccion Motor Triangulo Estrellajpg
Conexión Estrella Triángulo Orient Montaje Electro Mec
Conexión Motor Siemens 15 Hp Con Arranque Estrella Triángulo
Conexion Estrella Triangulo El Rincon Del Electrico
Diagrama Y Explicación Arranque Estrella Triangulo
Blog Posts Citas Para Sexo En Colombia
Conexión Estrella Triángulo De Motores Trifásicos Jose
Arranque Estrella Triangulo Varios Circuitos Motores Trifásicos
Conexion Estrella Triangulo El Rincon Del Electrico
Conexión Estrella Triangulo Frionline
Arranque De Motores Asíncronos Trifásicos
Los Motores De 6 Terminales Son Diseñados Para Trabajar En 2
Syz Cominsa Inspirando Innovación En La Ingeniería Desde
Fpcontrol Componente Gaugex De Automationtoolkitocx Para
Conexión Motor Estrella Triangulo
Cómo Calculo Los Componentes Para Un Arranque Estrella
Arranque Estrellatriangulo Santirrazocultor
Syz Cominsa Inspirando Innovación En La Ingeniería Desde
Arranque Estrella Triángulo Para Motores Asíscronos
Arranque Estrella Triangulo Varios Circuitos Motores Trifásicos
Máquinas Eléctricas 6to Ipet 132 Esquema Arranque
Arranque Estrella Triángulo Formación Para La Industria 40
Conexion Estrella Triangulo El Rincon Del Electrico
Diagrama De Conexion Motor Trifasico Descargar Fortnite
Conexión De Motor A 400 V En Estrella Triangulo
Solucionado Inconveniente Con Un Arranque Estrella
Esquemas Eléctricos Borneras Motor Estrella Triangulo
Las Conexiones Estrella Y Triángulo En Motores Y Sus
Coparoman Motores Eléctricos Trifásicos De 6 Terminales
Arranque Estrella Triangulo Directo
180080755 68256279 Arranque Estrella Triangulo Con Inversion
Conexión Estrella Triangulo Motor 12 Terminales
Conexión Y Arranque De Los Motores Trifásico
Esquemas Eléctricos Como Conectar Estrella Triangulo
Blog Posts Citas Para Sexo En Colombia
Como Calcular Que Voltaje Reciben Las Bobinas En Conexión
Conexion Estrella Triangulo El Rincon Del Electrico
Semana 3 Arranque Estrella Triangulo Electric Current
Arranque Estrella Triangulo Motor Eléctrico
Clase 97 Como Conectar Motores Trifasicos Para Diferentes Arranques
Conexión De Motores Trifasicos De 9 Y 12 Puntas Motor
Conexión Motor Estrella Triangulo
Arranque Estrella Triangulo Varios Circuitos Motores Trifásicos
Arranque Estrella Triangulo De Un Motor Ingeniería
Pdf Arranque Estrella Triángulo Teoría Sagu Sagu
Diagrama Arranque Estrella Delta Motor Trifasico
Como Saber Si El Motor Trifacico Esta Mal Conectado Yoreparo
Arranque Estrella Triángulo Formación Para La Industria 40
Conexion Steinmetz Santirrazocultor
Arranque Estrella Triangulo Para Motores
Arranque Estrella Triangulo Mediante Easy Plc Saludos
Motor Trifásico A Monofásico Calculo De Condensador
Arranque Estrella Delta De Motor De 12 Puntas
Conexion Estrella Triangulo El Rincon Del Electrico
Conexión Estrella Y Triángulo Cuál Es La Diferencia
Variador De Frecuencia 3 Hp Centrada Monofasica 220v Y Salida 3x220v Trifasica
Arranque De Motores Estrella Triángulo By Maria Fernanda
Conexión Estrella Triángulo De Motores Trifásicos Jose
Arranque De Motores Trifásicos De Dos Velocidades Conexión
Motores Eléctricos Trifásicos Arranque E Inversión Del Giro
Arrancadores Estrella Triángulo Aeg
Syz Cominsa Inspirando Innovación En La Ingeniería Desde
Configuración Estrella Triángulo Aplicación Industrial
Esquema De Arranque Estrella Triangulo
Arranque Estrella Triángulo Formación Para La Industria 40
Arranque De Motores Asincronos
Esquemas Eléctricos Arranque Estrella Triángulo Conexión De
Conexiones Estrella Triangulo En Motores
Blog Posts Servicio De Citas En Zaragoza
Cómo Funciona Un Motor Arranque Estrella Triángulo Quora
Arranque Estrella Triangulo Varios Circuitos Motores Trifásicos
Arranque De Motores Asíncronos Trifásicos
Conexion De Motores Trifasicos De 6 Puntas
Conexión De Motores Trifasicos De 9 Y 12 Puntas Electroclub
Arranque Estrella Delta En Compresores Para Aire
Practica 13 Arranque Estrella Triangulo Esquema De
Pdf Pruebas De Funcionamiento Races Gerard Academiaedu
Electricidad Conexión Estrella Triángulo 1d47vmqp6d42
Arrancadores A Tension Reducida Estrella Triangulo Y
Nota Técnica Motores Conceptos Básicos Y Métodos De
La Estrella Triangular Conexión En Estrella Y En Triángulo
Conexión Estrella Triángulo De Motores Trifásicos Jose
Visio Pr13 Estrella Triángulovsd
Unidad Nº 3 Motores Asíncronos
Filedahlander Modeltddjpg Wikimedia Commons
Coparoman Arrancador Estrella Delta Para Un Motor De 12
Syz Cominsa Inspirando Innovación En La Ingeniería Desde
Arranque Y Control De Motores Trifásicos Asíncronos




0 Response to "Conectar Motor Estrella Triangulo"
Post a Comment